Perlite has layers structure between Fe3C and ferrite has the trait of being tough, tenacious and strong but easily to be corrosion.
Austenit has fcc unit cell, demonstrated a yield point clearly without brittleness on the State of the icy, it is soft, quite powerful and non-magnetic.
Martensite has solid solution phase is over saturated carbon units in a cell of the body centered tetragonal (bct). The higher the degree of saturation of carbon, the greater the ratio of unit cell axis unit and the more hard and more brittle.
Bainite has properties between martensite and ferrite.
Cementite is a compound of metal Fe and Fe3C, form C is hard and brittle.
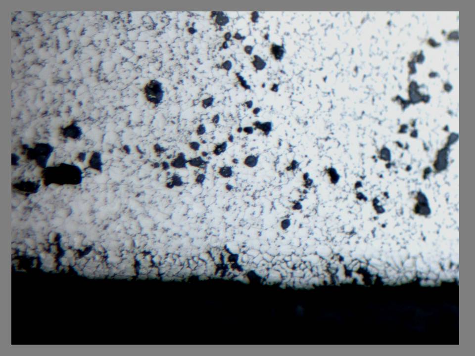
Picture above describe about boiler tube ferrite and pearlite micro-structure at normal conditions.
Picture below describe about Micro-structure of tube degradation initial condition due to overheating.
Micro-structure classification based on ERA technology.
Crack / creep(sample).

There has been a growing and carbide spheroidization as picture below (sample)
Graphitization as picture below (sample)
Cracks in the outer surface of the tube shows the indication swelling hydrogen damage. On the conditions of high temperature local overheating, there will be the reaction of hydrogen gas with Fe3C (cementite) ferrite forming (Fe) and gas CH4 are moving towards methana limit metal granules gradually more and more giving rise to enormous pressure producing inter-granular cracking. Early indications that the rift has been shown in the photo on the outer surface of the tube (see picture below)



Some example metal micro-structure of creep, corrosion and hydrogen damage as picture below.




Source:
Harianto PLN Puslitbang
Hey there just wanted to give you a quick heads up.
ReplyDeleteThe words in your post seem to be running off the screen in Safari.
I'm not sure if this is a formatting issue or something to do with browser compatibility but I figured I'd
post to let you know. The design and style look great though!
Hope you get the issue solved soon. Thanks
my web-site Pur Essence Anti Wrinkle
At this time it seems like Wordpress is the top blogging platform available right now.
ReplyDelete(from what I've read) Is that what you're using on your blog?
Feel free to visit my website :: Buy Xtrasize
I absolutely love your blog and find nearly all of your post's to be just what I'm looking for.
ReplyDeleteDo you offer guest writers to write content for you? I wouldn't mind publishing a post or elaborating on a few of the subjects you write related to here. Again, awesome web site!
my page muscle enhancers
Aw, this was a very good post. Spending some time and actual effort to
ReplyDeletegenerate a top notch article… but what can I say… I hesitate a lot and don't seem to get nearly anything done.
Feel free to surf to my web page - クリスチャンルブタン
Way cool! Some very valid points! I appreciate you penning this
ReplyDeletearticle plus the rest of the site is really good.
Here is my weblog :: cheap nike air max 2009
Hi there i am kavin, its my first occasion to commenting anywhere, when i read
ReplyDeletethis article i thought i could also make comment due to this sensible article.
Also visit my blog post :: http://fabriclearreview.webs.com/
A pink round bassinet with pink decorative bed linen can really look stunning any time of the day or night.
ReplyDeleteRecently, I discovered that bassinets were being offered
in non-traditional styles, such as round, and I am sooo
jealous that I have already had my three babies, and being recently divorced, don't know if I will have any more children that would need such a piece. Though this article might be of great help in your decision to buy a baby bassinet, try to find out more on baby bassinets by reading reviews and other articles on the internet.
Here is my webpage ... loft bed with desk
Thanks for this posting.
ReplyDeleteYour blog is very knowledgeable!! Keep it always updated.
Layer Thickness and grain size analysis are used to get fast and accurate results.
yeezys
ReplyDeleteyeezy boost
hogan outlet online
yeezy boost 350
louboutin shoes
michael kors outlet
nike air max 97
christian louboutin outlet
kyrie 6 shoes
supreme outlet
Thanks for sharing.
ReplyDeleteolive enviro industries
Click Here replica designer bags wholesale website here replica bags online useful content cheap designer bags replica
ReplyDeleteThank so much for your post! I conducted microstructure test for carbon steel boiler tube and the result was agreed with this post!
ReplyDeletechuujiaaaan345
ReplyDeletegolden goose outlet
golden goose outlet
golden goose outlet
golden goose outlet
golden goose outlet
golden goose outlet
golden goose outlet
golden goose outlet
golden goose outlet
golden goose outlet